
Facility
浴槽水設備
Bath Water
安全かつ快適な浴場水を維持するために
浴槽水の衛生を維持するには、適切なろ過システムの選定と、レジオネラ属菌などの菌類を効果的に除去する殺菌剤を適切に選ぶことが重要です。
さらに、管理者は衛生基準を厳守し、定期的な換水や水質分析など適切な管理を行い、浴槽水の品質を確保することが求められます。
これらの取り組みにより、レジオネラ属菌を含む微生物のリスクを軽減し、安全で快適な入浴環境を提供することができます。
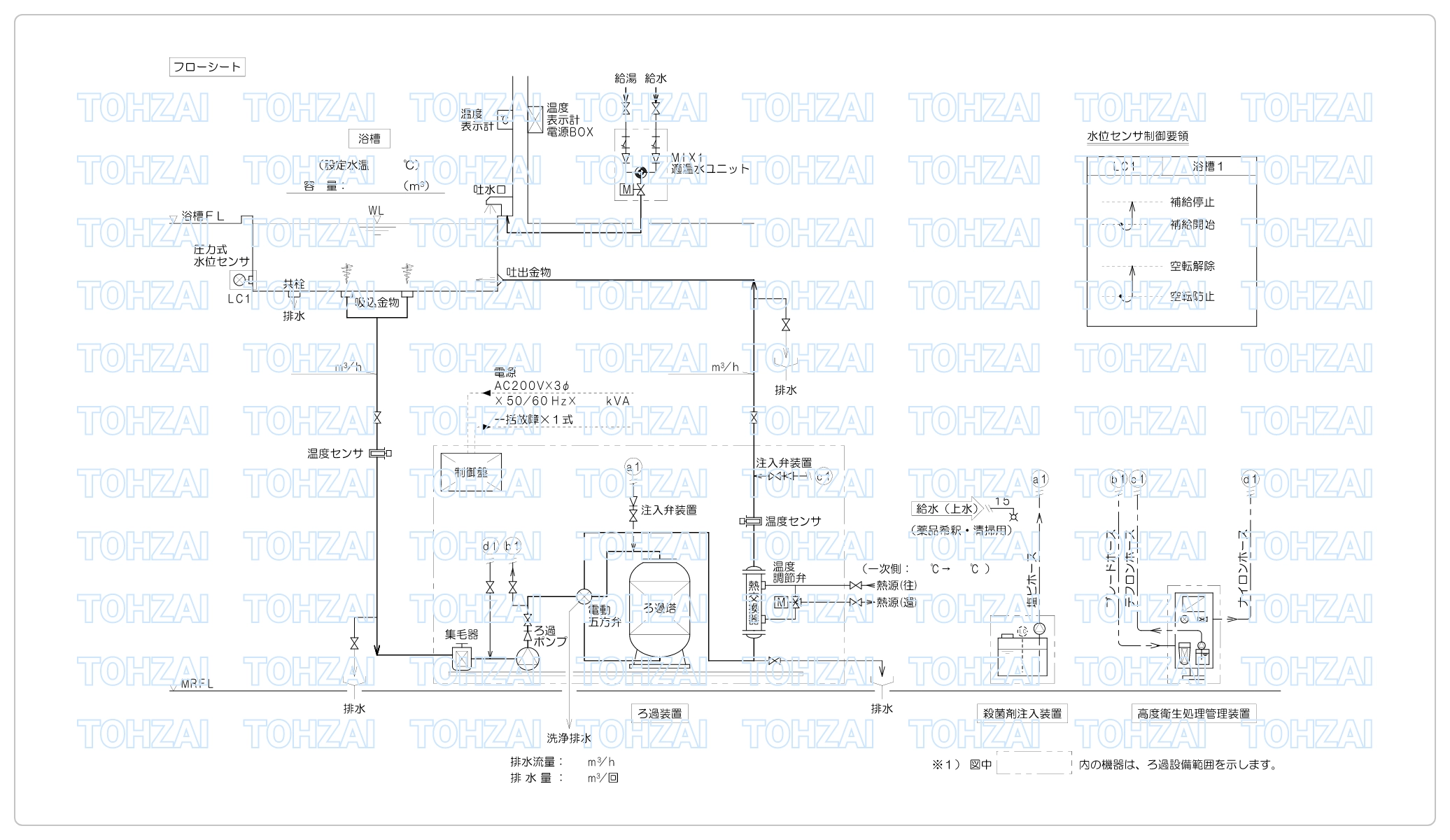
また、浴槽の計画段階では、具体的な要件や法規制を考慮して進めることが重要です。
システム設計方法
- 01
-
浴槽の用途や目的、利用者数や運営時間等の諸元を整理する。
- 02
-
浴槽水質を安全かつ快適な環境を維持することができる、ろ過システムを決定する。
- 03
-
アトラクション・省エネ対策・温泉水・炭酸泉など施設に応じた対応を検討する。
- 04
-
運営条件から給排水や熱源等のユーティリティを算出する。
関係法令:厚生労働省「公衆浴場における衛生等管理要領」、各自治体「公衆浴場法施行条例、旅館業法施行条例」

求められる水質浴槽水の基準(公衆浴場における水質基準等に関する指針)
| 用途項目 | 原水、原湯、上がり用水、上がり用湯 | 浴槽水 | ||
|---|---|---|---|---|
| 基準値 | 測定の頻度 | 基準値 | 測定の頻度 | |
| 色度 | 5度以下 | 1年に1回以上 | - | 毎日完全換水型:1年に1回以上 連日使用型 :1年に2回以上 (塩素消毒でない場合、1年に4回以上) |
| 濁度 | 2度以下 | 5度以下 | ||
| pH値 | 5.8以上8.6以下 | - | ||
| 過マンガン酸カリウム 消費量 |
10mg/L 以下※1 | 25mg/L 以下※2 | ||
| 有機物(全有機炭素 (TOC)の量) |
3mg/L 以下 | 8mg/L 以下 | ||
| 大腸菌 | 検出されないこと | 1個/mL以下であること | ||
| レジオネラ属菌 | 10CFU/100mL未満 | 10CFU/100mL未満※3 | ||
- ※1 塩素化イソシアヌル酸又はその塩(固形塩素剤)を用いて消毒している等の理由により有機物(全有機炭素(TOC)の量)の測定結果を適用することが不適切と考えられる場合は、過マンガン酸カリウム消費量の測定で、10mg/L以下であることとする。
- ※2 塩素化イソシアヌル酸又はその塩(固形塩素剤)を用いて消毒している等の理由により有機物(全有機炭素(TOC)の量)の測定結果を適用することが不適切と考えられる場合は、過マンガン酸カリウム消費量の測定で、25mg/L以下であることとする。
- ※3 レジオネラ症発生防止対策のための衛生措置として、浴槽水中の遊離残留塩素濃度を1日に2時間以上、0.2~0.4mg/Lに保つことが望ましい。
設計上の留意点
TOHZAIが選ばれ続ける理由
豊富な製品ラインアップとワンストップソリューションによる迅速な対応力で、
多くのお客様に選ばれ続けています。
お客様の現場を深く理解し、水質や現場状況に適した薬剤選定やラボ試験、
カスタマイズにも対応し、ニーズや課題に真摯に向き合います。
- 01
旅館やフィットネス
ホテルなどの全国で420件以上の
豊富な実績 - 02
循環金物、温度計
アトラクション等の充実した機器の選定
- 03
衝撃にも強い
抜群の耐久性
- 04
設計から
配管洗浄、保守までワントップ体制
関連製品
浴槽水の水処理はTOHZAIにお任せください。
その他関連製品
- 自動循環ろ過装置 サワフィターAPF
- 小型ろ過フィルター カートリッジフィルターPHS
- 集毛器 HCシリーズ
- 自動塩素滅菌装置 ステリライザーSB
- 保守低減注入弁装置 MRバルブ
- 残留塩素濃度計 TCLシリーズ
- 携帯型デジタル水質計 オンサイトラボ CL101
- 薬品注入装置 薬液タンク
- 薬品注入装置 薬品注入ポンプ
- 食品添加物認可品 次亜塩素酸ナトリウム バルスターDT
- 温泉用スケール洗浄・防止剤 スパブライトシリーズ
- ろ過剤 デアイロン・フィルサンド シリーズ
- 個室浴槽電解装置 スパクレスト CLE
導入事例
当社では数多くの導入事例がございます。詳しくはお問い合わせください。

フィットネスクラブ
- 地域:
- 神奈川県
- 用途:
- 炭酸泉
- 保有水量:
- 6㎥
- ターン数:
- 2ターン/時
- ろ過能力:
- 12㎥/h

温浴施設
- 地域:
- 宮城県
- 用途:
- 温泉・アトラクション
- 保有水量:
- 25㎥、7.5㎥
- ターン数:
- 2ターン/時
- ろ過能力:
- 50㎥/h、15㎥/h

老人ホーム・ゴルフ場
- 地域:
- 香川県
- 用途:
- 温浴
- 保有水量:
- 4㎥
- ターン数:
- 2ターン/時
- ろ過能力:
- 8㎥/h
これまでに培ってきた水処理、メンテナンスなどに関する技術・ノウハウ・解析力で、
各種設備の最適化をサポートするアフターサービスの体制を整えています。
これまでに培ってきた水処理、
メンテナンスなどに関する技術・ノウハウ・解析力で、
各種設備の最適化をサポートする
アフターサービスの体制を整えています。
専門エンジニアによる維持管理
経験豊富な営業員が現場を訪問し、水質状況の確認や現場機器のメンテナンスを行い、設備の維持管理をサポートします。
さらに、工業用内視鏡などの各種検証ツールやIoT技術を活用し、状況を把握します。
各種分析
グループ内には分析・試験機関が設置されており、各種水質分析、菌類検査、試料の定性分析などを実施することが可能です。
また、様々なラボ試験を行い、課題解決や最適な水処理のサポートを行います。

自社工場
機器・薬剤製造を自社工場で行い、独自の品質チェックで、高品質な製品を提供します。
さらに、試験・分析センターも同拠点に集約し、一貫した連携システムでお客様のご要望に迅速にお応えします。











